
|
The SRS-ECU monitors the SRS system and stores data concerning any detected faults in
the system. When the ignition switch is in "ON" position, the SRS warning light, the SRS warning
light, passenger’s air bag OFF indicator light and passenger’s seat belt warning
light should illuminate for about seven seconds and then turn "OFF." That indicates that the
SRS system is in operational order. If the SRS warning light does any of the following, the
immediate inspection by an authorized dealer is needed: 1.The SRS warning light does not illuminate as described above. 2.The SRS warning light stays on for more than seven seconds. 3.The SRS warning light illuminates while driving. If a vehicle’s SRS warning light is in any of these three conditions, the SRS
system must be inspected, diagnosed and serviced in accordance with this manual.
|
Label contents
|
A, B
|
DANGER FLAMMABLE EXPLOSIVE DO NOT: DISASSEMBLE; HEAT; INCINERATE; APPLY ELECTRICITY; OR STORE AT HIGH TEMPERATURE (93°C or HIGHER). REFER TO WORKSHOP MANUAL FOR DETAILS.
|
C
|
CAUTION: DO NOT DISASSEMBLE OR DROP. IF DEFECTIVE, REFER TO SERVICE MANUAL.
|
D
|
DANGER FLAMMABLE EXPLOSIVE SRS AIR BAG MODULE
- Do not disassemble or shock.
- Do not heat or incinerate.
- Do not contact with electricity or tester probes.
- Do not test or diagnose.
- Do not store in more than 200°F (93°C).
- Store the air bag cover is top.
- For information on handing, replacement, and disposal methods, refer to the service
manual.
|
E<EXCEPT VEHICLES FOR CANADA>

|
WARNING EVEN WITH ADVANCED AIR BAGS
- Children can be killed or seriously injured by the air bag
- The back seat is the safest place for children
- Never put a rear-facing child seat in the front
- Always use seat belts and child restraints
- See owner’s manual for more information about air bags
|
E <VEHICLES FOR CANADA>

|
WARNING DEATH or SERIOUS INJURY can occur
- Children 12 and under can be killed by the air bag.
- The BACK SEAT is the SAFEST place for children.
- NEVER put a rear-facing child seat in the front.
- Sit as far back as possible from the air bag.
- ALWAYS use SEAT BELTS and CHILD RESTRAINTS.
|
F
|
SEAT BELT PRETENSIONER CAUTION THIS ASSEMBLY CONTAINS AN EXPLOSIVE INITIATOR. DANGER FLAMMABLE MATERIAL TO PREVENT PERSONAL INJURY
- DO NOT REMOVE. INSTALL IT INTO ANOTHER VEHICLE.
- SERVICE OR DISPOSE OF IT AS DIRECTED IN THE REPAIR MANUAL.
- DO NOT DISMANTLE INCINERATE OR BRING INTO CONTACT WITH ELECTRICITY.
|
G
|
WARNING SRS AIR BAG MODULE FLAMMABLE/EXPLOSIVE TO AVOID SERIOUS INJURY:
- DO NOT REPAIR, DISASSEMBLE OR TAMPER.
- AVOID CONTACT WITH FLAME OR ELECTRICITY.
- DO NO DIAGNOSIS/USE NO TEST EQPT OR PROBES.
- STORE BELOW 200°F (93°C).
- BEFORE DOING ANY WORK INVOLVING MODULE, READ SERVICE MANUAL FOR IMPORTANT FURTHER
DATA.
|
H
|
DANGER CONTAINS HIGH-PRESSURE GAS AND FLAMMABLE MATERIAL To avoid injury, NEVER; [Repair, Disassembly, Incinerate, Bring into contact
with electricity, Install onto another vehicle or Store where the temperature is above 93°C (200°F)] -See
Repair Manual for details.-
|
I
|
SRS SIDE AIRBAG WARNING TO AVOID SERIOUS INJURY OR DEATH:
- Do not lean against the door.
- Do not use seat covers.
See owner’s manual for more information
|
J <EXCEPT VEHICLES FOR CANADA>
|
This Vehicle is Equipped with Advanced Air Bags Even with Advanced Air Bags Children can be killed or seriously injured by the air bag. The back seat is the safest place for children. Never put a rear-facing child seat in the front. Always use seat belts and child restraints. See owner’s manual for more information about air bags. Not to be removed except by owner.
|
J <VEHICLES FOR CANADA>
|
WARNING MISE EN GARDE Children Can Be KILLED or INJURED by Passenger Air Bag The back seat is the safest place for children 12 and under. Make sure all children use seat belts or child seats. Not to be removed except by owner.
|
|
|
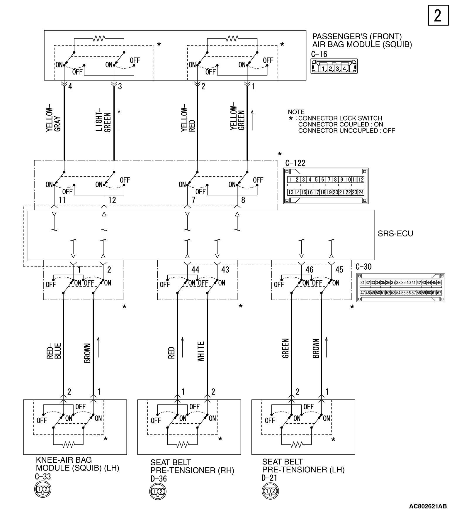
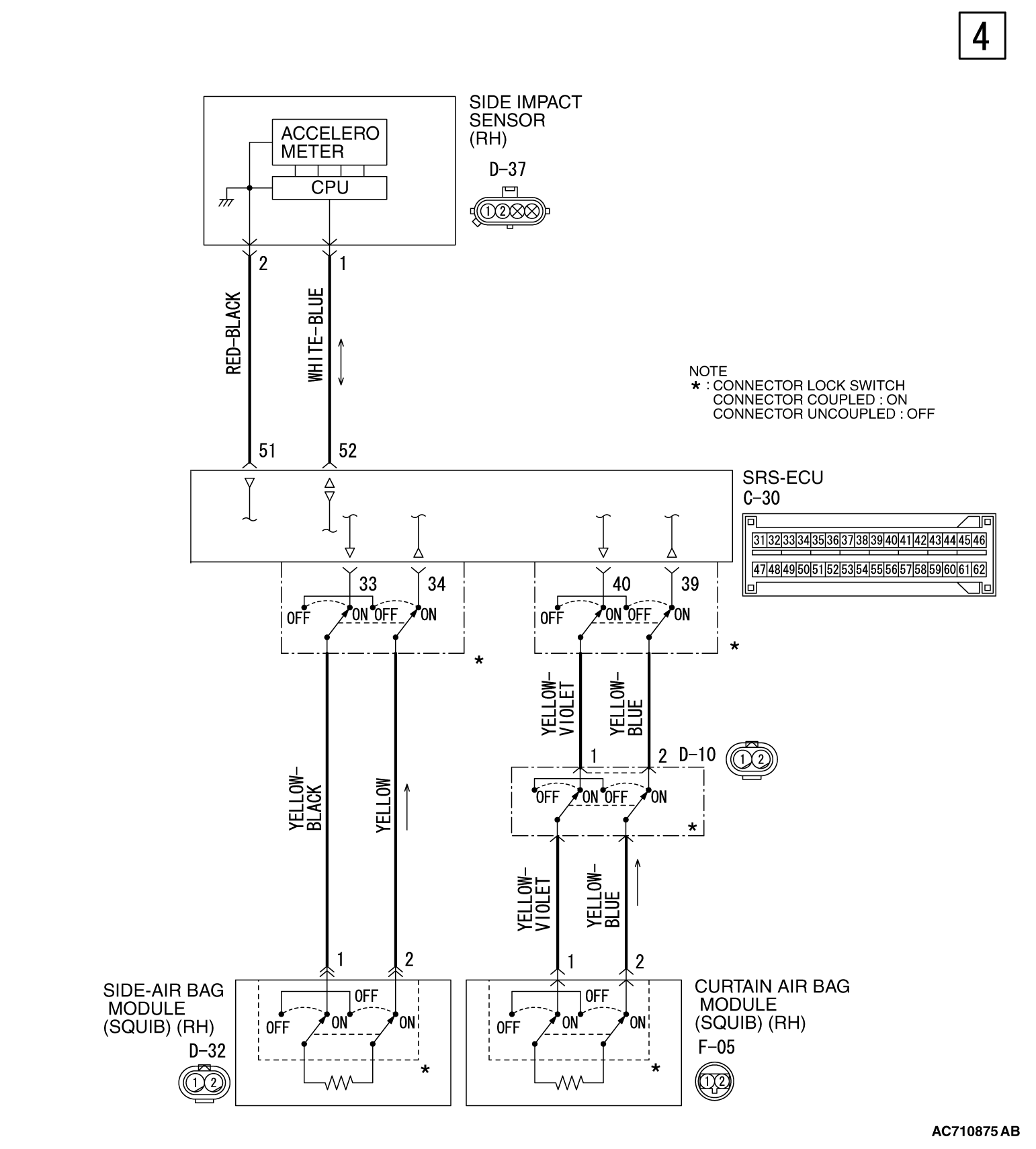
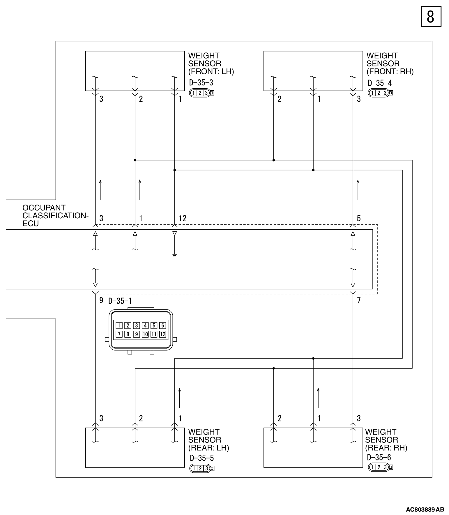
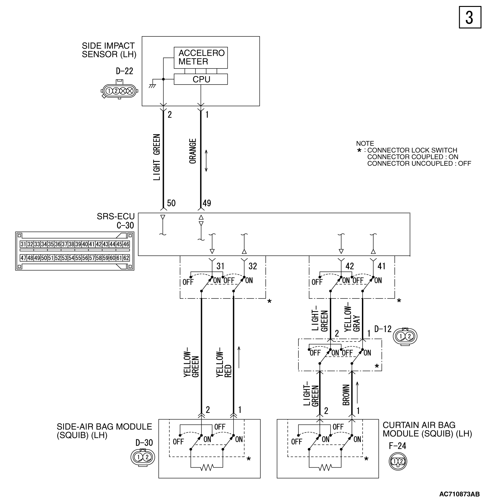
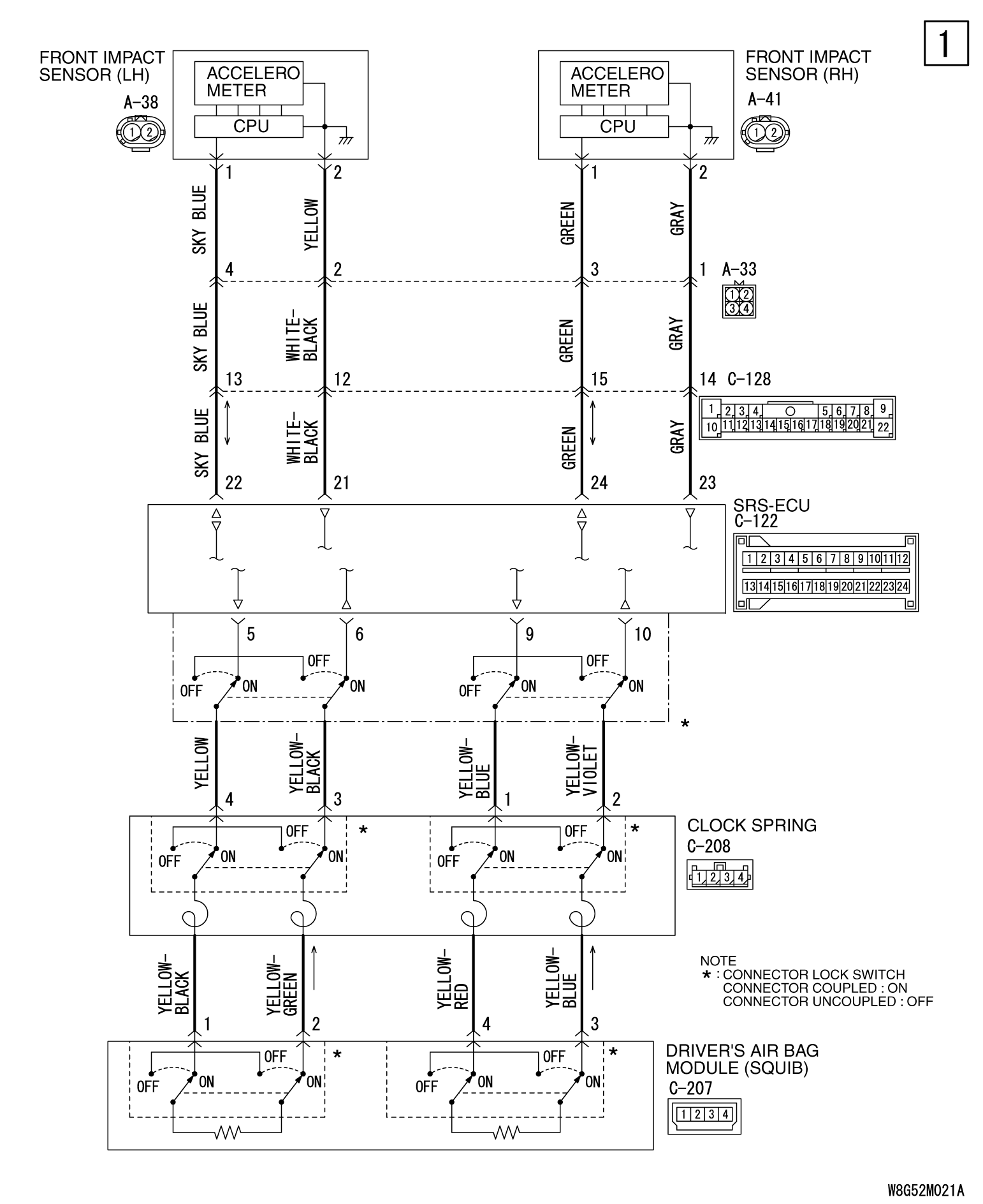
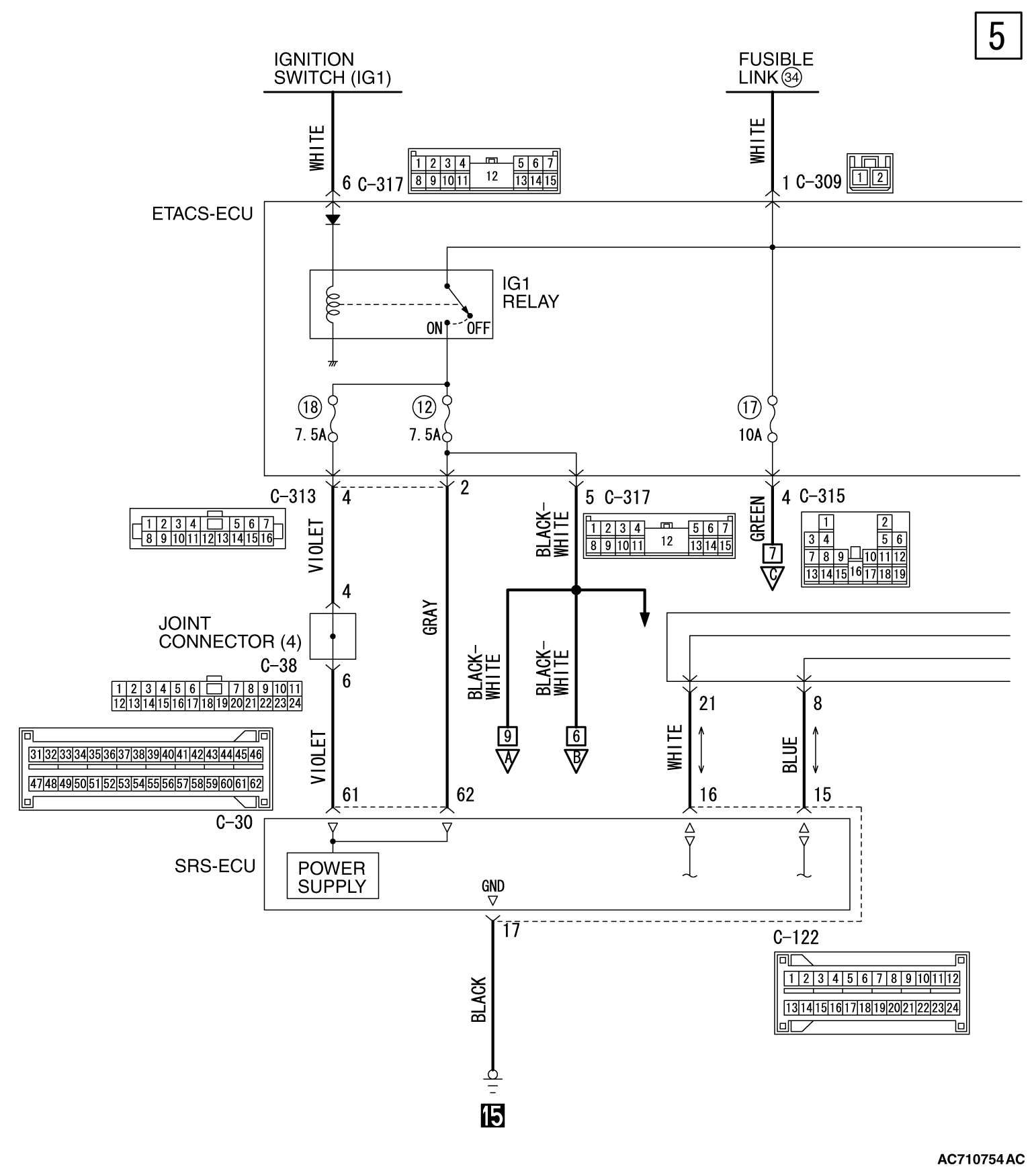
To enhance the system reliability, a connector short circuiting mechanism is integrated
in the SRS-ECU connector, air bag module connectors, clock spring connector, pre-tensioner connectors,
and intermediate connector between curtain air bag module and SRS-ECU (black connector "A" shown
in the figure).
|