[Previous][Next]
System Description
 
 
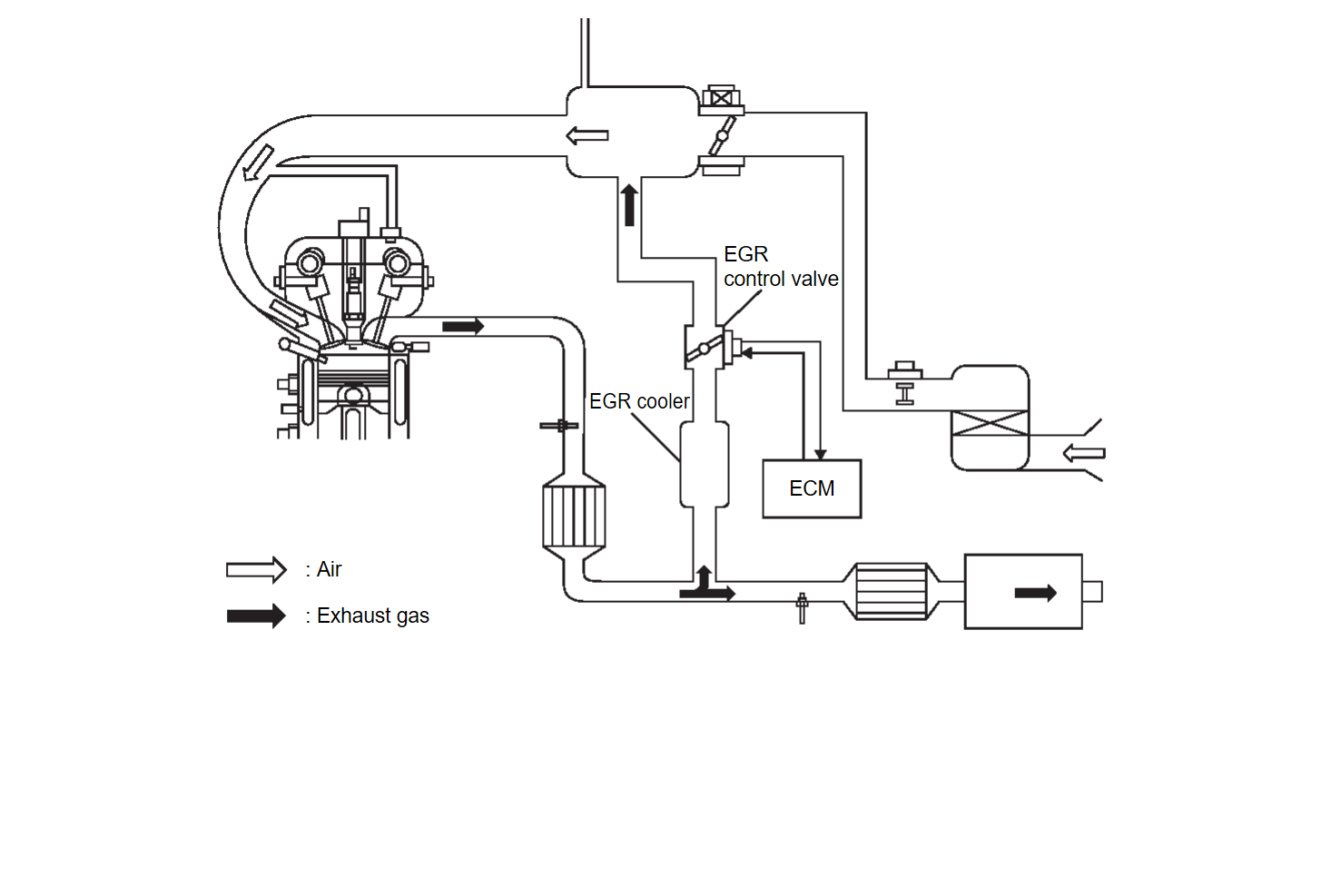
SYSTEM DIAGRAM
Component partsFunction
Crankshaft position sensorCrankshaft Position Sensor
EGR volume control valveEGR Volume Control Valve
Intake air temperature sensorMass Air Flow Sensor (With Intake Air Temperature Sensor)
Engine coolant temperature sensorEngine Coolant Temperature Sensor
Accelerator pedal position sensorAccelerator Pedal Position Sensor
BatteryECM receives the battery voltage signal.
ECMECM
EGR volume control valveEGR Volume Control Valve
 
 
SYSTEM DESCRIPTION
EGR system decreases oxygen density in intake air by recirculating a part of exhaust gas to intake system, and decreases recirculating exhaust gas temperature by water cooling type cooler. This is to reduce combustion temperature inside of cylinder so that control generating NOx and knocking. Also this function is for coexistence of driveability and the exhaust performance, and fuel economy.
EGR is deactivated under the following conditions to enhance driveability:
  • Engine starting
  • Engine at idle
  • Low engine coolant temperature
  • High engine coolant temperature
  • High engine speed
  • Low intake air temperature
  • Low battery voltage